In a slide wire bridge, the balance is obtained at a poin...
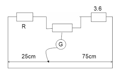
In a slide wire bridge, the balance is obtained at a point 25cm from one end of wire 1m long. The resistance to be tested is connected to that end and a standard resistance of 3.6\(\Omega\) is connected to the other end of the wire. Determine the value of the unknown resistance
3.2\(\Omega\)
1.4\(\Omega\)
3.21\(\Omega\)
1.2\(\Omega\)
Correct answer is D
\(\frac{R}{3.6} = \frac{75}{25} = \frac{1}{3}\)
3R = 3.6
R = 1.2\(\Omega\)
Which of the following instruments is used to measure relative humidity? ...
Mercury is commonly used as a thermometric fluid rather than water because ...
The general equation of a wave CANNOT be written as ...
The eye defect illustrated by the diagram above is ...
Which of the following factors decreases the rate of evaporation of a liquid? ...
Which of the following statements is not a characteristic of a plane progressive wave? ...
Which of the following colours of surfaces will radiate heat energy best? ...