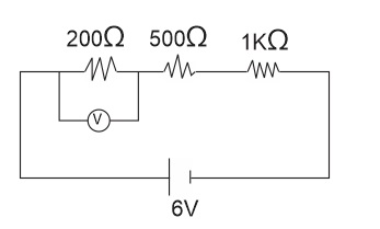
Three resistors with resistance 200Ω, 500Ω an...
Three resistors with resistance 200Ω, 500Ω and 1kΩ are connected in series. A 6v battery is connected to either end of the combination. Calculate the potential difference between the ends of 200Ω resistance.
0.71V
0.7V
0.82V
0.8V
Correct answer is A
Req = 200 + 500 + 1000 = 1700Ω
| P.d | (across | 200Ω) | = | 200
1700 |
× | 6 | = | 0.71V |
A capacitor of capacitance 25μF is connected to an a.c. power source of frequency 200 Hz. Calcula...
The maximum power transfer occur in a cell when the external resistance is ...
Total internal reflection occurs when light moves from? ...
Which of the following statements is CORRECT about the earth's magnetic field? ...