In the a.c circuit above, the current value is
...
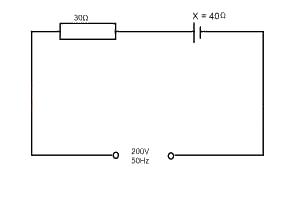
In the a.c circuit above, the current value is
0.58 A
3.00 A
4.00 A
6.67 A
Correct answer is C
Impedance Z =
√ R2 x X2
=
√ 302 x 402
∴Z =
√ 2500 = 50W
But current I = V/Z = 200/50 = 4.00 A
When the pressure of the gas in a discharge tube is gradually lowered. I. there is a violet glow ...
A magnetic needle is suspended first at the earth's north magnetic pole and then at a point on t...
Which of the following statements is not correct? Isotopes of an element have ...
The diagram above is an illustration of an a.c. circuit.Calculate the reactance of the capacito...
When the temperature of a liquid is increased, its surface tension? ...