Home / Aptitude Tests / Physics / From the diagram abo...

From the diagram above, determine the value of the resist...

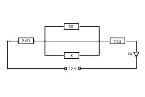
From the diagram above, determine the value of the resistance X

From the diagram above, determine the value of the resistance X

A.

B.

C.

12Ω

D.

15Ω

Correct answer is D

Let the combined parallel resistance of 3 Ω and x = Q Ω
∴ Total resistance in the circuit = 2 + Q + 1.5 = 3.5 + Q Ω
Total current in the circuit = 2A
P.D a cross the circuit 12 volts
∴ From Ohm’s law, V = IR
12 = 2(3.5 + Q)
= 7.0 + 2Q
∴ 2Q = 12 – 7
= 5
∴ Q = 5/2 = 2.5 Ω
Thus from parallel formula: I/Q = 1/3 + 1/x
1/2.5 = 1/3 + 1/x
1/x = 1/2.5 - 1/3 = 3-2.5/7.5 = 0.5/7.5
X = 7.5/0.5 = 75/5 = 15 Ω
∴ X = 15 Ω