Home / Aptitude Tests / Physics / In the diagram above...

In the diagram above, the ratio of the electric power dis...

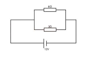
In the diagram above, the ratio of the electric power dissipated in the 6Ω and the 3Ω resistor respectively is

In the diagram above, the ratio of the electric power dissipated in the 6Ω and the 3Ω resistor respectively is

A.

2:1

B.

2:2

C.

1:3

D.

1:2

Correct answer is D

Power, P = I2R;
and I = E/R
But effective Parallel resistance: is given by:
1/R = 1/6 + 1/3 = 1+2/6 = 3/6 => R = 6/3 = 2Ω
Current I = E/R = 12/2 = 6A
But I1 = (R1/R1+R2) x 1 = 3/9 x 6 = 2A
again I1 = (R1/R1+R2) x 1 = 6/9 x 6 = 4A
∴P1 = I12 R1 = 2 x 2 x 6 = 24W
P2 = I22 R2 = 4 x 4 x 3 = 48W
thus P1/P2 = 24/48 = 1/2 ; OR P1 : P2 = 1:2