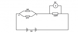
What is the potential difference between X and Y in the d...
What is the potential difference between X and Y in the diagram above if the battery is of negligible internal resistance
12.5V
5.8V
5.0V
3.0V
2.0V
Correct answer is D
No explanation has been provided for this answer.
Ripples on water are similar to light waves in that they both ...
Solar eclipse will take place when ...
The current in a series R-L-C circuit attains its maximum value when the ...
Which of the following surfaces will radiate heat energy best? ...
Two bodies have masses in the ratio3:1. They experience forces which impart to them, accel...