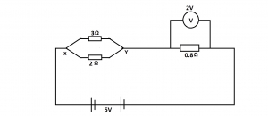
Calculate the current in the 30 resistor in the diagram a...
Calculate the current in the 30 resistor in the diagram above if the battery is of negligible internal resistance
0.3A
0.4A
1.0A
1.5A
2.5A
Correct answer is C
No explanation has been provided for this answer.
When an object is placed at the centre of curvature of a concave mirror, its image is formed at ...
Notes of the same frequency sounded on a piano and on a flute may differ in I. pitch II. quality...
Local actions is normally prevented in a simple electric cell by ...
Mercury which is spilled onto a glass surface forms ball-like shapes because____. ...