The diagram above represents a portion of a micrometer sc...
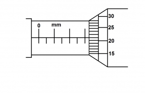
The diagram above represents a portion of a micrometer screw gauge in which the horizontal scale is in millimetres. What is the reading on the instrument?
3.72mm
3.50mm
3.30mm
3.28mm
3.22mm
Correct answer is E
No explanation has been provided for this answer.
The instrument that measures both ac and dc is called ...
In which of the following is a stationary wave produced? i. A vibrating turning fork held near th...
When compared with water, mercury is preferred as a thermometric liquid because ...
Which of the following units is equivalent to the watt? ...
A charge of 10 C is transferred across a potential difference of 220 V. Determine the work done. ...
The graph above shows the expansion of water as the temperature increases from 0°C. Which of the...