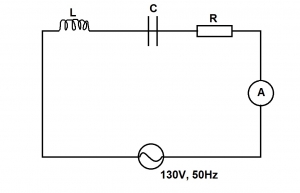
ln the diagram above, the resistor has a resistance 8 &Om...
ln the diagram above, the resistor has a resistance 8 Ω while the reactances of the inductor and the capacitor are 10 Ω and 16 Ω respectively Calculate the current in the circuit
3.6A
3.8A
9.2A
10.0A
13.0A
Correct answer is E
No explanation has been provided for this answer.
The graphite rods surrounding the uranium fuel rods in a nuclear reactor, are used to ...
A solid body will float in a liquid if its ...
Power supply is transmitted at a very high voltage and low current in order to? ...
The normal temperature of human body is record at what ranges? ...
The vacuum in a thermos flask helps to reduce heat transfer by? ...