1V and 1/3V
1/3V and 1V
1/3V and 2/3V
1V and 2/3V
Correct answer is D
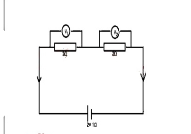
Effective resistance in the circuit
= 3 + 2 + 1 = 6Ω
Current through the I = E/(R+V)
∴I = 2/6
=> V1 = I x R1 2/6 x 3/1 = 1V
= V2 = I x R2 = 2/6 x 2/1 = 2/3V
∴ we have 1V and 2/3V
The energy stored in a simple cell is ...
Which of the following statements is applicable to a real image formed by a concave mirror? i. it...
After three half lifes, the fraction of a radioactive material that has decayed is ...
Which of the following will reduce the frequency of oscillation of a simple pendulum? ...
The pin-hole camera produces a less sharply defined image when the ...
If the partial pressure of water vapour at 27°C is 18 mm Hg and the saturated vapour pressure of...
The amount of heat needed to raise the temperature of 10kg of copper by 1k is its ...