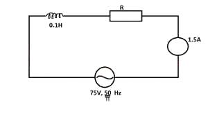
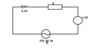
from the diagram above, the inductive reactance and the r...
from the diagram above, the inductive reactance and the resistance R are respectively
50Ω and 45Ω
25Ω and 51Ω
20Ω and 50Ω
10Ω and 50Ω
Correct answer is D
The inductive reactance is given as
Xl = 2πfl
= 2 x 50/π x 0.1
= 10Ω
Again from ohms law,
R = V/I = 75/1.5 = 50Ω
∴ Thus the inductive reactance and the resistance are respectively 10Ω, and 50Ω
It is easier to roll a barrel full of coal tar than to pull it because ...
A satellite is in a parking orbit if its period is ...
The term rectilinear acceleration means the rate of increase of ...
The use of electrical fuses in domestic wiring is ...
What is the reading of the vernier scale above ...
During a thunderstorm, the sound is heard over a long time. this phenomenon is referred to as? ...